0

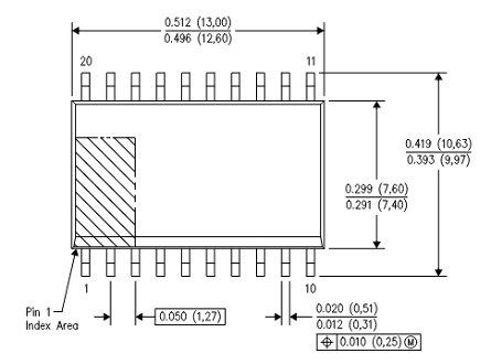
SN74LVC245APW TI TSSOP20 микросхема

Оценка товара 0.0, голосов: 0
Наличие: шт
Нет в наличии
Уже в корзине
Восьмиканальный шинный приемопередатчик с тремя состояниями на выходе, КМОП кристалл

Комментариев пока нет, будьте первым.

Оставить комментарий